• <li id="mm842"><table id="mm842"></table></li><li id="mm842"><table id="mm842"></table></li>
    <li id="mm842"><table id="mm842"></table></li>
    <tt id="mm842"></tt>
  • <li id="mm842"></li>
  • Driven by Innovation, Smart for the Future.
    Energy-Saving Transformation
    Decanter Centrifuge Commissioning Project
    Energy-Saving Transformation View volume: 132

    I.Working Principle and Application Scenarios

    A horizontal screw centrifuge is a horizontal, spiral discharging, and continously operating sedimentation equipment.

    Working Principle: The drum and the screw rotate at high speed in the same direction with a certain differential speed. Material is continuously fed into the inner cylinder of the screw through the feed pipe, where it is accelerated and then enters the drum. Under the action of the centrifugal field, the heavier solid phase deposits on the drum wall, forming a sludge layer.

    The screw conveyor continuously pushes the deposited solids toward the conical end of the drum, where they are discharged from the machine through the solids outlet. The lighter liquid phase forms an inner liquid ring, which continuously overflows from the large end overflow port of the drum and is discharged from the machine through the liquid outlet.

    Advantages of Decanter Centrifuge:

    Continuous operation with large production capacity, especially suitable for industrial production lines.
    Adjustable speed (using a frequency inverter) to achieve optimal separation results that adapt to on-site working conditions.
    Wide application range: municipal wastewater, food, beverages, slaughtering and breeding, textile dyeing, petrochemicals, papermaking, leather, pharmaceuticals, and other industries for sludge dewatering.

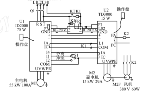
    II. Electrical Wiring Diagram

    1. The two frequency inverters operate with a common DC bus configuration.
    2. On site, a 55 kW main frequency converter and a 15 kW auxiliary frequency inverter are used in combination.
    3. Communication is established via RS485 bus using the ModBus-RTU protocol, transmitting data such as speed and torque back to the supervisory control system.

    III. Frequency inverter Specifications

    The models of the two frequency inverters respectively:
    1. Main VFD YD580T4-55G/75P-T
    2. Auxiliary VFD YD580T4-55G/75P-T

    Motors:
    1. Main Motor 55kW Asychronous
    2. Auxiliary motor 15kW Asychronous

    Control mothod:
    1. Main VFD adopts VF or vector sensorless control
    2. Auxiliary VFD adopts vector sensorless control

    IV. Commissioning Steps

    Parameters can be quickly copied via the LCD operation panel, which is convenient for customers.

    V. Operating Conditions

    Equipment Monitoring Interface
    The unit is equipped with a touchscreen monitoring interface that displays feedback data such as torque, current, and frequency, and calculates differential speed in real time.
    During on-site commissioning, an oscilloscope is connected to monitor the operating status of the frequency converter.
    Yellow Trace: R-phase input current waveform of the 55 kW main frequency inverter (used to check for interference).
    Red Trace: U-phase output current waveform of the 55 kW main frequency inverter (used to check for vibration).
    Blue Trace: DC bus voltage waveform of the 55 kW main frequency inverter (used to evaluate system stability).

    The use of a common DC bus AC variable frequency drive system effectively solves the problem of recovering regenerative energy from the back-drive motor of the decanter centrifuge, bringing significant benefits to users.

    Energy-saving effect

    For example, one municipal wastewater treatment plant using Juneng Machinery’s centrifuges currently treats 100,000 tons of urban sewage annually with two units. Under operating conditions of a differential speed of 10 r/min and a screw torque of 15 N·m, preliminary calculations indicate that each centrifuge saves approximately 1.5 kW of power.

    Assuming 10 hours of daily operation over 300 days per year, this results in an annual energy saving of about 4,500 kWh per centrifuge. At an electricity cost of 0.631 RMB/kWh, this equates to an annual saving of 2,839.5 RMB. With two centrifuges in operation, the total electricity cost savings amount to 5,679 RMB per year.

    VI. Conclusion

    1. In addition to the 55 kW / 15 kW configuration, Juneng Machinery’s decanter centrifuges are available in a wide range of combinations, such as 11 kW / 5.5 kW and 132 kW / 55 kW, among others.
    2. Previously, Juneng Machinery procured imported ABB ACS580 series frequency inverters. After replacing them with Yolico YD580 model, the centrifuges have continued to operate stably, with a significant advantage in cost performance.
    3. As a leading benchmark of localization in the centrifuge industry, Juneng Machinery  serves markets across the Asia-Pacific and Africa. For decanter centrifuges alone, the company ships  over 1,000 units annually.

    香蕉人人超人人超碰超国产p